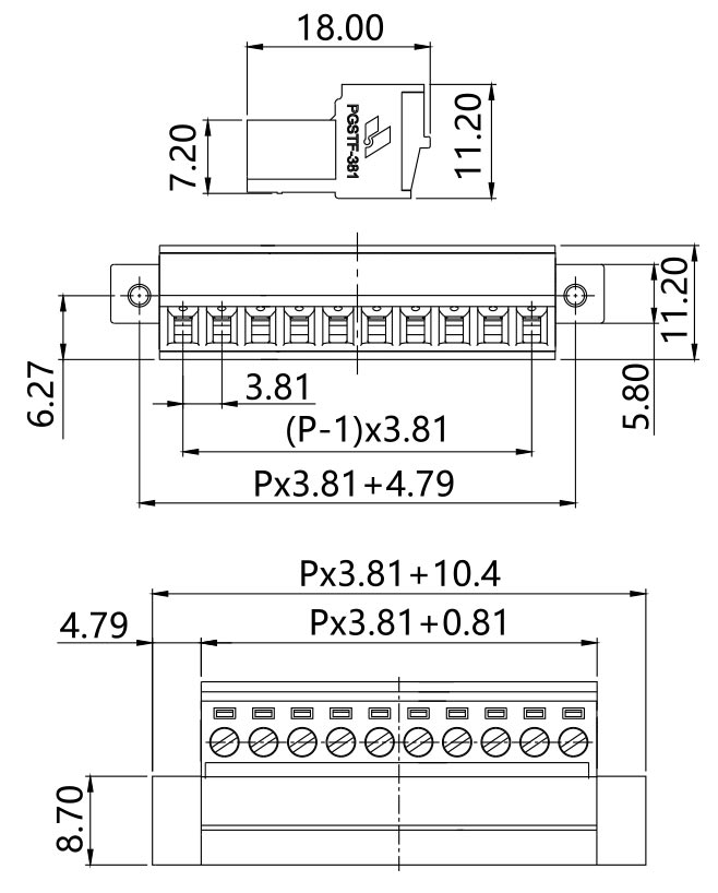
Panel Feed-Through BlocksPGSTF-381
PGSTF-381
3.81mm,300V,8A
| Approval |
|
| Category | Panel Feed-Through Blocks |
| Model | PGSTF-381 |
| Pitch | 3.81mm |
| Poles | 02P~24P |
| Plug-in direction | Plug-in direction parallel to the conductor axis |
| Color | Green |
| Pitch[mm] | 3.81 |
| Technical data in accordance with IEC/DIN and VDE | |
| Insulation materialgroup | I |
| Surge voltagecategory/contamination class | III/3 III/2 II/2 |
| Rated voltage[V] | 160 160 320 |
| Rated surge voltage[kV] | 2.5 2.5 2.5 |
| Rated current/Cross section[A]/[mm2] | 8/1.5 |
| Maximum load current/Cross section[A]/[mm2] | 8/1.5 |
| Capacity connection | |
| Rigid/flexible conductor/conductor sizes[mm2]/[mm2]/AWG | 0.08-1.5/0.08-1.5/28-16 |
| Flexible conductors with cold pressing tip 帶/不帶絕緣套管 | 0.25-0.5/0.25-1.5 |
| Multiple connection(2 conductors with same cross section) | |
| Rigid/flexible conductor[mm2] | 0.08-0.5/0.08-0.75 |
| 帶冷壓頭的柔性導(dǎo)線,冷壓頭帶絕緣套管[mm2] | 0.25-0.34 |
| 帶冷壓頭的柔性導(dǎo)線,冷壓頭不帶絕緣套管[mm2] | 0.5 |
| Stripping length[mm] | 8 |
| Internal cylindrical gauge(IEC 60 947-1) | A1 |
| Thread | M2 |
| Torque[Nm] | 0.22-0.25 |
| Insulating material | PA |
| Inflammability class in acc.with UL 94 | V0 |
| Approva ldata(UL/CUL and CSA) | |
| Rated voltage/Rated current/conductor sizes UL/CUL:[V]/[A]/AWG | 300/8/30-14 |
| CSA:[V]/[A]/AWG | 300/8/28-16 |

Joinect provides samples for user experience
PGSTF-381